SVD2 Monitoring Modules
NIM modules (source and bmp schematics)
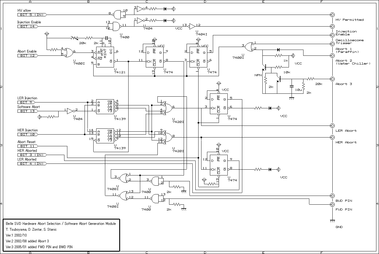
2005/01 KEKB Soft/Hard Abort Generation Module (
CE3
,
BMP
)
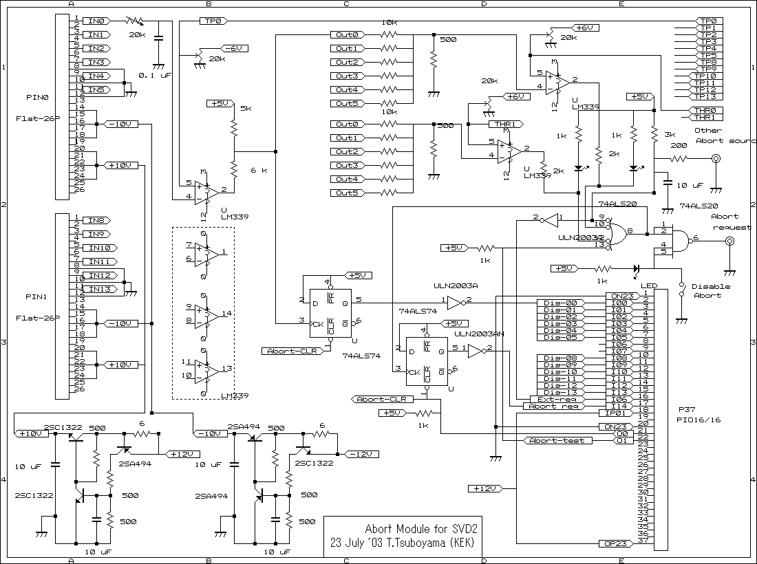
2003/08 SVD2 PIN Abort Request Module (
CE2
,
CE2
,
BMP
)
Lascar
SP100
LED display data sheet
Reset module 1
Reset module
KEKB Control Oscilloscope multiplexer (
CE2
,
bmp
)
RadFET
RADFET constant current module
(GV)
Sample hold module
(GV)
PIN
Burr-Brown Dual Op. Amp. (rad. hard)
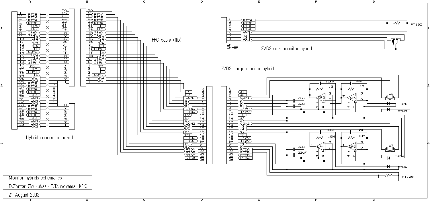
SVD2 Monitor Hybrids
Cable and preamplifier (
bmp
)
Hyb. Distribution box (
bmp
)
RTD
RTD distr. box
Analog driver for KEKB
Beampipe
Created: Tue Sep 30 12:59:18 JST 2003 by Samo Stanic